Home › Unlabelled ›
Multi Purpose Switch Wiring Diagram 2000 Jeep Grand Cherokee : Multi Purpose Switch Wiring Diagram 2000 Jeep Grand Cherokee Wiring Diagram Structure Portable Structure Portable Eugeniovazzano It / Fdcm (final drive control module), heater ventilation, air conditioning (hvac), switch bank, transfer case switch, o/h lamps, hvac relay, rear park assist.
Multi Purpose Switch Wiring Diagram 2000 Jeep Grand Cherokee : Multi Purpose Switch Wiring Diagram 2000 Jeep Grand Cherokee Wiring Diagram Structure Portable Structure Portable Eugeniovazzano It / Fdcm (final drive control module), heater ventilation, air conditioning (hvac), switch bank, transfer case switch, o/h lamps, hvac relay, rear park assist.. 1) is used for manufacturing and service purposes. Diagrams needed are for yj wranglers only and should be posted under the yj technical information forum. The fuse panel is on the lower instrument panel just to the left of the steering column. Cherokee radio wiring wiring diagrams blogdiagram]. It has 5 pins, 3 down the one side, 2 down the other.
Tire/wheel certification label incorrectly printed. Fdcm (final drive control module), heater ventilation, air conditioning (hvac), switch bank, transfer case switch, o/h lamps, hvac relay, rear park assist. Jeep cherokee 1990 jeep cherokee laredo 1990 jeep cherokee limited 1990 jeep cherokee pioneer 1990 jeep cherokee sport 1990 jeep comanche 1990 jeep comanche eliminator 1990 jeep comanche pioneer 1990 jeep grand wagoneer 1990. The jeep grand cherokee vm 3.0l diesel engine. 1999, 2000, 2001, 2002, 2003, 2004, 2005).
Wj Fuse Diagram Var Wiring Diagram Blue Clearance Blue Clearance Europe Carpooling It from i1.wp.com Home » jeep » jeep grand cherokee factory service manual. The information listed on the plate (fig. Diagrams needed are for yj wranglers only and should be posted under the yj technical information forum. Ignition switch & lock cylinder. Tire/wheel certification label incorrectly printed. Most jeep dealerships will give you a free 1994 jeep grand cherokee wiring diagram. 1999, 2000, 2001, 2002, 2003, 2004, 2005). The fuse panel is on the lower instrument panel just to the left of the steering column.
Diagram sheets show all information relating to the system.
Check out our popular jeep cherokee manuals below. The jeep grand cherokee vm 3.0l diesel engine. 1996 grand cherokee automobile pdf manual download. 640 x 731 jpeg 256 кб. 1) is used for manufacturing and service purposes. Home » jeep » jeep grand cherokee factory service manual. 5 factory alarm disarm requires a 463 ohm resistor to ground on the lt.green/orange wire at the drivers door lock switch, you must use a relay. Cherokee radio wiring wiring diagrams blogdiagram]. In my hand is your basic up/down window switch, stolen from one of my extra rear doors. 1999, 2000, 2001, 2002, 2003, 2004, 2005). Fdcm (final drive control module), heater ventilation, air conditioning (hvac), switch bank, transfer case switch, o/h lamps, hvac relay, rear park assist. Doing some custom wiring in my zj and have a question. *hint hint, rusty, cough, tomb raider*.
640 x 731 jpeg 256 кб. Doing some custom wiring in my zj and have a question. Get your hands on the complete jeep factory workshop software £9 download now. Jeep grand cherokee 2000 system wiring diagrams.pdf. Jeep grand cherokee wj 2000.
2000 Jeep Grand Cherokee Wiring Schematic Wiring Diagram Direct Sharp Captain Sharp Captain Siciliabeb It from static-resources.imageservice.cloud Diagram sheets show all information relating to the system. Cherokee radio wiring wiring diagrams blogdiagram]. Tire/wheel certification label incorrectly printed. 2000 jeep cherokee engine diagram | automotive parts. *hint hint, rusty, cough, tomb raider*. Home » jeep » jeep grand cherokee factory service manual. This video will show you how to access the complete jeep grand cherokee wiring diagrams and details of the wiring harness. 1999, 2000, 2001, 2002, 2003, 2004, 2005).
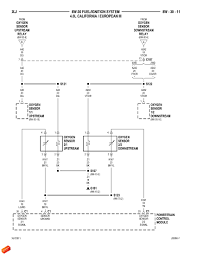
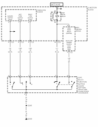
Jeep grand cherokee 2000 system wiring diagrams.pdf.
In my hand is your basic up/down window switch, stolen from one of my extra rear doors. Diagrams needed are for yj wranglers only and should be posted under the yj technical information forum. Diagram sheets show all information relating to the system. Ignition switch & lock cylinder. Doing some custom wiring in my zj and have a question. This video will show you how to access the complete jeep grand cherokee wiring diagrams and details of the wiring harness. Tire/wheel certification label incorrectly printed. Most jeep dealerships will give you a free 1994 jeep grand cherokee wiring diagram. The jeep grand cherokee vm 3.0l diesel engine. 1996 grand cherokee automobile pdf manual download. The fuse panel is on the lower instrument panel just to the left of the steering column. It has 5 pins, 3 down the one side, 2 down the other. This includes feeds, grounds, switch internal circuity, connectors, splices, and pin jeep grand cherokee wj electrical wiring diagram.
Cherokee radio wiring wiring diagrams blogdiagram]. 640 x 731 jpeg 256 кб. Ignition switch & lock cylinder. Vehicle wiring details for a 2000 jeep grand cherokee. *hint hint, rusty, cough, tomb raider*.
2001 Jeep Cherokee Window Switch Wiring Wiring Diagram Server Editor Veteran Editor Veteran Ristoranteitredenari It from ww2.justanswer.com 1996 grand cherokee automobile pdf manual download. It has 5 pins, 3 down the one side, 2 down the other. Diagrams needed are for yj wranglers only and should be posted under the yj technical information forum. This includes feeds, grounds, switch internal circuity, connectors, splices, and pin jeep grand cherokee wj electrical wiring diagram. In my hand is your basic up/down window switch, stolen from one of my extra rear doors. The jeep grand cherokee vm 3.0l diesel engine. 640 x 731 jpeg 256 кб. Check out our popular jeep cherokee manuals below.
1999, 2000, 2001, 2002, 2003, 2004, 2005).
Ignition switch & lock cylinder. Get your hands on the complete jeep factory workshop software £9 download now. 640 x 731 jpeg 256 кб. This includes feeds, grounds, switch internal circuity, connectors, splices, and pin jeep grand cherokee wj electrical wiring diagram. In my hand is your basic up/down window switch, stolen from one of my extra rear doors. The information listed on the plate (fig. Jeep cherokee 1990 jeep cherokee laredo 1990 jeep cherokee limited 1990 jeep cherokee pioneer 1990 jeep cherokee sport 1990 jeep comanche 1990 jeep comanche eliminator 1990 jeep comanche pioneer 1990 jeep grand wagoneer 1990. 2000 jeep cherokee engine diagram | automotive parts. Doing some custom wiring in my zj and have a question. Most jeep dealerships will give you a free 1994 jeep grand cherokee wiring diagram. *hint hint, rusty, cough, tomb raider*. Diagrams needed are for yj wranglers only and should be posted under the yj technical information forum. Vehicle wiring details for a 2000 jeep grand cherokee.