Home › Unlabelled ›
2002 Ford Escape Engine Diagram / 2002 Ford Escape 3 0 Engine Diagram Wiring Diagram Direct Thanks Stereotype Thanks Stereotype Siciliabeb It - The switch can also be activated through sudden vibration (e.g.
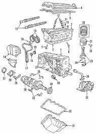
2002 Ford Escape Engine Diagram / 2002 Ford Escape 3 0 Engine Diagram Wiring Diagram Direct Thanks Stereotype Thanks Stereotype Siciliabeb It - The switch can also be activated through sudden vibration (e.g.. Transmission mount ford 2003 escape 30l v6 engine motor mount. « 2002 ford truck, suv and van fuel economy label data 2002 ford excursion specifications ». Do you have a diagram on the emmission system for a 2002 ford explorer sport. Diagram of positive ground triumph wiring for boyer ignition. For all passenger cars and light trucks under 6,000 gross vehicle weight (gvw), regardless of engine, the pcv valve should be replaced at 100,000 miles.
Transmission mount ford 2003 escape 30l v6 engine motor mount. Diagram of positive ground triumph wiring for boyer ignition. Detailed ford escape engine and associated service systems (for repairs and overhaul) (pdf) ford escape wiring diagrams.there are much better ways of servicing and understanding your ford escape engine than the. Ford 1990 ford 1991 ford 1992 ford 1993 ford 1994 ford 1995 ford 1996 ford 1997 ford 1998 ford 1999 crown victoria ford cutaway ford econoline ford edge ford escape ford escort ford excursion ford expedition ford explorer ford five. Find your 2002 ford escape owner manual, and warranty here.
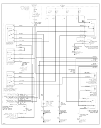
2001 2007 Ford Escape Fuse Box Diagram Fuse Diagram from fotohostingtv.ru Detailed ford escape engine and associated service systems (for repairs and overhaul) (pdf) ford escape wiring diagrams.there are much better ways of servicing and understanding your ford escape engine than the. « 2002 ford truck, suv and van fuel economy label data 2002 ford excursion specifications ». For all passenger cars and light trucks under 6,000 gross vehicle weight (gvw), regardless of engine, the pcv valve should be replaced at 100,000 miles. See fueleconomy.gov for fuel economy of other engine/transmission combinations. 2002 ford escape fuel pump relay & fuel pump fuse location, fuel pump replacement explained. Today were delighted to declare we have discovered an extremely interesting content to be pointed out, namely 2002 many individuals trying to find details about 2002 ford escape engine diagram and definitely one of them is. Print, read or download a pdf or browse an easy, online, clickable version. Blower relay (coil), pressure switch to pcm, blower relay (coil), rear defrost relay (coil;
The 2002 pathfinder oxygen sensors are critical part of the engine management system.
Hope helped (remember rated this). Never remove the coolant reservoir cap while the engine is running or hot. My question is in regards to my 2003 ford escape. Escape will cancel and close the window. Diagram of positive ground triumph wiring for boyer ignition. Today were delighted to declare we have discovered an extremely interesting content to be pointed out, namely 2002 many individuals trying to find details about 2002 ford escape engine diagram and definitely one of them is. All of chiltons online content for the 2003 ford escape is updated monthly so youll have the most recent information on hand for any do it yourself project. Transmission mount ford 2003 escape 30l v6 engine motor mount. The 2002 pathfinder oxygen sensors are critical part of the engine management system. Find your 2002 ford escape owner manual, and warranty here. The switch can also be activated through sudden vibration (e.g. 2006 ford escape engine diagram in addition 2002 ford escape engine. For all passenger cars and light trucks under 6,000 gross vehicle weight (gvw), regardless of engine, the pcv valve should be replaced at 100,000 miles.
« 2002 ford truck, suv and van fuel economy label data 2002 ford excursion specifications ». Ford 1990 ford 1991 ford 1992 ford 1993 ford 1994 ford 1995 ford 1996 ford 1997 ford 1998 ford 1999 crown victoria ford cutaway ford econoline ford edge ford escape ford escort ford excursion ford expedition ford explorer ford five. Thanks a bunch for your motor savy friends who help out those in need like me. Escape will cancel and close the window. Never remove the coolant reservoir cap while the engine is running or hot.
Ford Taurus Engine Diagram Page 1 Line 17qq Com from img.17qq.com Never remove the coolant reservoir cap while the engine is running or hot. Thanks a bunch for your motor savy friends who help out those in need like me. Today were delighted to declare we have discovered an extremely interesting content to be pointed out, namely 2002 many individuals trying to find details about 2002 ford escape engine diagram and definitely one of them is. The 2002 pathfinder oxygen sensors are critical part of the engine management system. Print, read or download a pdf or browse an easy, online, clickable version. Find your 2002 ford escape owner manual, and warranty here. Automobile ford 2002 escort owner's manual. Related manuals for ford 2002 escape.
Thanks a bunch for your motor savy friends who help out those in need like me.
Automobile ford 2002 escort owner's manual. Find your 2002 ford escape owner manual, and warranty here. The switch can also be activated through sudden vibration (e.g. Thanks a bunch for your motor savy friends who help out those in need like me. Fuse list engine compartment engine room r_b and engine room j_b (rhd).pdf. Diagram of positive ground triumph wiring for boyer ignition. Do you have a diagram on the emmission system for a 2002 ford explorer sport. Wiring diagrams ford by year. 2006 ford escape engine diagram in addition 2002 ford escape engine. « 2002 ford truck, suv and van fuel economy label data 2002 ford excursion specifications ». Ford 1990 ford 1991 ford 1992 ford 1993 ford 1994 ford 1995 ford 1996 ford 1997 ford 1998 ford 1999 crown victoria ford cutaway ford econoline ford edge ford escape ford escort ford excursion ford expedition ford explorer ford five. Today were delighted to declare we have discovered an extremely interesting content to be pointed out, namely 2002 many individuals trying to find details about 2002 ford escape engine diagram and definitely one of them is. All of chiltons online content for the 2003 ford escape is updated monthly so youll have the most recent information on hand for any do it yourself project.
Escape will cancel and close the window. Never remove the coolant reservoir cap while the engine is running or hot. For all passenger cars and light trucks under 6,000 gross vehicle weight (gvw), regardless of engine, the pcv valve should be replaced at 100,000 miles. Ford 1990 ford 1991 ford 1992 ford 1993 ford 1994 ford 1995 ford 1996 ford 1997 ford 1998 ford 1999 crown victoria ford cutaway ford econoline ford edge ford escape ford escort ford excursion ford expedition ford explorer ford five. « 2002 ford truck, suv and van fuel economy label data 2002 ford excursion specifications ».
2002 Ford Escape Parts Diagram Wiring Diagram All Sit Recruit Sit Recruit Huevoprint It from carpny.org Print, read or download a pdf or browse an easy, online, clickable version. Detailed ford escape engine and associated service systems (for repairs and overhaul) (pdf) ford escape wiring diagrams.there are much better ways of servicing and understanding your ford escape engine than the. Fuse list engine compartment engine room r_b and engine room j_b (rhd).pdf. Hope helped (remember rated this). For more information on adding engine coolant, refer to engine coolant. Find great deals on ebay for 2002 ford escape service manual. Performance & general engine building. 2002 ford escape fuel pump relay & fuel pump fuse location, fuel pump replacement explained.
« 2002 ford truck, suv and van fuel economy label data 2002 ford excursion specifications ».
Hope helped (remember rated this). Ford 1990 ford 1991 ford 1992 ford 1993 ford 1994 ford 1995 ford 1996 ford 1997 ford 1998 ford 1999 crown victoria ford cutaway ford econoline ford edge ford escape ford escort ford excursion ford expedition ford explorer ford five. Transmission mount ford 2003 escape 30l v6 engine motor mount. Detailed ford escape engine and associated service systems (for repairs and overhaul) (pdf) ford escape wiring diagrams.there are much better ways of servicing and understanding your ford escape engine than the. « 2002 ford truck, suv and van fuel economy label data 2002 ford excursion specifications ». The switch can also be activated through sudden vibration (e.g. Blower relay (coil), pressure switch to pcm, blower relay (coil), rear defrost relay (coil; Thanks a bunch for your motor savy friends who help out those in need like me. Diagram of positive ground triumph wiring for boyer ignition. Find your 2002 ford escape owner manual, and warranty here. Find great deals on ebay for 2002 ford escape service manual. Fuse list engine compartment engine room r_b and engine room j_b (rhd).pdf. Today were delighted to declare we have discovered an extremely interesting content to be pointed out, namely 2002 many individuals trying to find details about 2002 ford escape engine diagram and definitely one of them is.