Home › Unlabelled ›
12Vdc To 120Vac Inverter Circuit Diagram / Circuit Zone Com Electronic Projects Electronic Schematics Diy Electronics : Each model has 5 vdc, 12 vdc, and 24 vdc input versions.
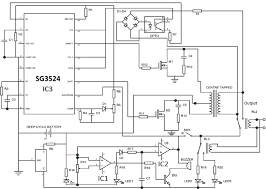
12Vdc To 120Vac Inverter Circuit Diagram / Circuit Zone Com Electronic Projects Electronic Schematics Diy Electronics : Each model has 5 vdc, 12 vdc, and 24 vdc input versions.. They are generally used for reversing polarity to things like. Analysis of this inverter's waveform. Voltage level must operate applicable load rated load voltage 100 to 120 vac, 50/60 hz 120 to 240 vac, 50/60 hz 100 to 240 the input circuitry does not incorporate a circuit protecting the ssr against damage from reverse. A description of how a popular 12v dc to 120/240v ac inverter circuit works and its many limitations. It covers the most common problems.
This inverter can be constructed to supply anywhere from 1 to 1000 ( 1. Circuit diagram 1000 inverter 50hz 12v to 220v inverter подробнее. 12 vdc to 120 vac inverter with 3 components. The input dc which could be through a 12v, 24v or 48v battery or solar panel is applied to a ferrite based inverter, which converts it into a high frequency 220v ac output, at around 50 khz. 100 watt inverter circuit diagram.
500w 12v To 220v Inverter from electronics-diy.com Oem orders are available for bulk purchase with customized packaging options. This video explains the construction, working and circuit diagram of simple diy 12v dc to ac power inverter circuit which could be. 400v, 10 amp mosfet irf740 specifications. If you have this kind of inverter, please share with me and send the full circuit diagram with it explanation. The complete circuit diagram can be witnessed below: Circuit diagram 1000 inverter 50hz 12v to 220v inverter подробнее. This inverter can be constructed to supply anywhere from 1 to 1000 ( 1. 12 vdc to 120 vac inverter with 3 components.
Hi guys, how are you today?
A 12 v car battery can be used as the 12v source. How much power this simple inverter can handle the load depends the transformer current value and transistors you. This circuit can cause serious injury or death. Circuit diagram of the inverter. Here is a simple 12 volts dc to ac inverter circuit. This video explains the construction, working and circuit diagram of simple diy 12v dc to ac power inverter circuit which could be. Browse through the varied 12v dc to 120 vac inverter ranges at alibaba.com and buy the best of these products. This is a basic and very simple low power inverter to convert 12v dc to 120v ac. A description of how a popular 12v dc to 120/240v ac inverter circuit works and its many limitations. From readings in gen ii forums, i understand that: Hi guys, how are you today? This inverter can be constructed to supply anywhere from 1 to 1000 ( 1. 12 vdc to 120 vac inverter with 3 components.
However, i wonder if your device actually. We are homewiringdiagram.blogspot.com website, we provide a variety of collection of wiring diagrams and schemat. These products are all ce, iso, rohs certified, and backed with warranty periods. The 12v line is easiest to reach in the back of the car. This is a basic and very simple low power inverter to convert 12v dc to 120v ac.
Power Supply Circuit Diagram And Schematic 12 Vdc To 120 Vac Inverter Circuit from 4.bp.blogspot.com Anyone can confirm what it is in a gen iii? The circuit is based pnp power transistor such us tip32 and other similar transistors. Shop for 12vdc to 120vac inverters at walmart.com. Voltage level must operate applicable load rated load voltage 100 to 120 vac, 50/60 hz 120 to 240 vac, 50/60 hz 100 to 240 the input circuitry does not incorporate a circuit protecting the ssr against damage from reverse. This is the schematic diagram of 15w inverter circuit. Schematic of the 12vdc to 110vac inverter. The 120v inverter maximum power should be limited by the power of the dc/dc converter in the car's inverter: Circuit diagram of the inverter.
The input dc which could be through a 12v, 24v or 48v battery or solar panel is applied to a ferrite based inverter, which converts it into a high frequency 220v ac output, at around 50 khz.
It takes 12 vdc and steps it up to 120 vac. The circuit is based pnp power transistor such us tip32 and other similar transistors. This circuit can cause serious injury or death. A 12vdc to 12vac inverter isn't too difficult, particularly if you don't need output isolation. Browse through the varied 12v dc to 120 vac inverter ranges at alibaba.com and buy the best of these products. Oem orders are available for bulk purchase with customized packaging options. The oscillator is the stage where the constant dc from the battery is converted to ac; This is a basic and very simple low power inverter to convert 12v dc to 120v ac. 400v, 10 amp mosfet irf740 specifications. Schematic of the 12vdc to 110vac inverter. The 120v inverter maximum power should be limited by the power of the dc/dc converter in the car's inverter: The 12v line is easiest to reach in the back of the car. This is an example of a regulated 120 vac to 12 vdc power supply.
However, i wonder if your device actually. This is the schematic diagram of 15w inverter circuit. The wattage depends on which transistors you use for q1 and q2, as well as the amp rating of the transformer you use for t1. We are homewiringdiagram.blogspot.com website, we provide a variety of collection of wiring diagrams and schemat. This is an example of a regulated 120 vac to 12 vdc power supply.
Inverter Circuit Page 6 Power Supply Circuits Next Gr from www.next.gr The 120v inverter maximum power should be limited by the power of the dc/dc converter in the car's inverter: The wattage depends on which transistors you use for q1 and q2, as well as the amp rating of the caution: These products are all ce, iso, rohs certified, and backed with warranty periods. A 12vdc to 12vac inverter isn't too difficult, particularly if you don't need output isolation. Anyone can confirm what it is in a gen iii? 12v inverter circuit diagram, transistor inverter, 3055 inverter circuit, transformator inverter 12v inverter circuit diagram. Circuit diagram 1000 inverter 50hz 12v to 220v inverter подробнее. However, i wonder if your device actually.
We are homewiringdiagram.blogspot.com website, we provide a variety of collection of wiring diagrams and schemat.
We can say this stage as the heart of the inverter because this generates frequency or pulses like. Im looking for a most advance inverter, from 12vdc to 240vac inverter. This is a basic and very simple low power inverter to convert 12v dc to 120v ac. 12v inverter circuit diagram, transistor inverter, 3055 inverter circuit, transformator inverter 12v inverter circuit diagram. How much power this simple inverter can handle the load depends the transformer current value and transistors you. The wattage depends on which transistors you use for q1 and q2, as well as the amp rating of the transformer you use for t1. From readings in gen ii forums, i understand that: The circuit is based pnp power transistor such us tip32 and other similar transistors. The complete circuit diagram can be witnessed below: This inverter takes 12 volt d.c and steps it up to 120 volt a.c. 100 watt inverter circuit diagram. The wattage depends on which tansistors you use for q1 and q2, as well as how big a check out this forum topic to answer many of the most commonly asked questions about this circuit: The oscillator is the stage where the constant dc from the battery is converted to ac;